线束工程师服务平台
可以搜到:产品、技术、资料、新闻、检测、企业、视频
引言:在汽车线束系统的开发过程中,究竟应该由OEM厂商来负责,还是应该由其线束供应商应来负责?

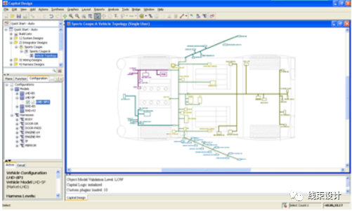
汽车线束系统的研发过程可以分为不同的领域和阶段(见图1),其中电子逻辑的设计和拓扑的各方面的定义就在这个过程中完成。通过草拟电路图,可以完成对电子逻辑模型的定义(见图2)。
系统中所有连接器的定义都由“起点-终点”信息及其物理属性(导线或电缆的规格)组成。通过向连接指定可选部件码的布尔表达式,可以对变量进行定义。变量的分配从这里传递给比如连接器或金属线圈在内的所有其他对象。

图2 通过草拟电路图,完成对电子逻辑模型的定义
线束定义的第二个来源是几何方面。在大多数方案中,这个定义通过部分DMU过程而完成。在CATIA/UG等工具中,路线路径被定义成3D模型。基于使用过的系统和整体开发过程的细节,这些模型只能用于描绘以保留空间为主要用途的几何捆线,或当作电子捆线(当明确哪些导线通过系统时)。这两个选择在实践中各有其优缺点,但两者同为DMU过程的主要输出——线束封套的几何定义,即如何连接捆线的端点以及线段长度信息的定义。
线束工程的细节最终是通过设计线束图而完成的。这些细节定义了整个线束的物理结构,并且为所有线束对象(如连接器或电缆等)分配了零件号。当选择软管和胶带以保护线束时,CHS、EB等软件会自动计算捆线的直径。附加零件(如橡胶圈或扎带)是由零件号细节来定位和定义的。最终的设计图将作为定义物理线束产品和管理变化的合同文件。尽管多数三维软件提供了线束研发模块,然而汽车制造业在实践中通常都使用更为专业的方案来完成线束的研发、构建和计算等任务。因此,在3D DMU过程和2D线束设计过程之间建立起数据桥的连接,这一点非常重要。专业线束设计软件,如CHS、EB等便提供了这种无缝的处理链功能。
对于供应商来说,线束生产还要继续着计算和生产规划等方面的工作,本文就不详细讨论了。
实际上,在前述开发过程中如何履行角色,包含有两个不同的基本情景。有一点是再清楚不过的,即电子逻辑的设计最能体现OEM厂商的能力,因为即便是与之合作的线束供应商的工程师,也是通过绘制原理图来支持OEM厂商的。此外,3D DMU过程也显然属于OEM厂商的能力范畴。该过程通过OEM厂商的3D软件系统完成,并与整车3D模型的其余部分相连接。
制造工艺流程和工时的生产细节无疑属于线束供应商的范畴。因此在情景上的区别在于:线束工程或线束图也有OEM厂商认为研发任务属于他们的能力范畴,因此分界线设置在线束构建过程之后(见图3)。

这种划分方式OEM厂商认为能够很好地处理研发过程。因此,定义包括线束包覆材料或连接器零件号的所有产品细节也是他们的职责所在。OEM厂商也决定包括使用工具在内的所有设计过程的细节,并且对修改管理过程实施完全的控制。
除技术方面以外,另一个主要问题在于,OEM厂商拥有研发及线束图的知识产权。因此,OEM厂商可以轻易地更换供应商,因为前者可以将线束图提供给另一家供应商并要求“蓝图合作”(供应商无需自主研发,而是根据现有的文档进行生产)。
但在其他一些OEM的环境下,上述分界线被向前移动(见图4)。并且有很好的论据来支持这个情景:供应商比OEM厂商更紧密地涉及到生产阶段,因此由供应商结合生产方面可以使产品得到更好的优化;电路图和DMU模型已经定义了线束产品的功能,因此无需再让OEM厂商控制线束图;线束图设计和修改的管理过程相当费时,OEM厂商更愿意不参与该过程。

对于上述两种情景,没有哪个是好的,哪个是坏的——两者各有其优缺点。以我们的经验来说,OEM厂商可以尝试以下折衷的办法:由OEM厂商来控制线束构建过程、决定使用哪些工具以及哪种数据格式、定义并监督对于修改及发布的管理原则和项目节点,研发工作由选定的线束供应商来完成。这些供应商的工程师使用OEM厂商选定的工具来完成所有构建工作,并且将设计数据移交给OEM厂商;根据协议细节和合作合同,设计作品及线束图的知识产权属于OEM厂商或供应商。
按照这个方案,OEM厂商更有优势来控制线束的设计过程(该过程是整车设计极其重要的一部分),这样他们就无需为繁琐的细节而费神了。OEM厂商可以确保拥有全部数据的使用权,并且与相邻过程(如DMU过程)的强制同步也将变得更加容易。该方案的另一个主要优点是针对不同供应商能够进行设计数据的跨平台重用。使用一个支持全部构建、计算及生产计划过程的强有力工具(如CHS),可以建立一个无缝处理过程。设计数据因此也可以在供应商的内部项目中得以使用。

图5 CHS软件协作支持
OEM厂商与供应商之间的密切协作,这种协作通常覆盖多个地点,跨国项目甚至位于不同的时区。因此,各方非常需要一种工具,能够支持对这类协作的需求。一项针对这种需求并提供线束开发无缝处理过程的专业解决方案已被研发出来,即前文提及的CHS等软件包。
这种虚拟团队内协作的无缝开发方式极大地改善了公司“界限”之间的项目工作,并且避免了通信差错。该方式还使得OEM厂商与供应商为高效地完成同一项目目标而更加紧密地进行合作——就最终结果而言,线束产品的研发是两者共同的责任,能够更好的实现研发效果





扫一扫
扫一扫