156-01199
- 类 型:
- 紧固件
- 品 牌:
- 海尔曼太通(HellermannTyton)
- 颜 色:
- 黑色
- 产品描述:
- 紧固件 圆孔 螺纹孔 Ø 8.8-9.2mm 海尔曼太通(HellermannTyton) 35 ≤ 9.0 mm 直枞树型 螺纹孔 圆孔 黑色
线束工程师服务平台
可以搜到:产品、技术、资料、新闻、检测、企业、视频

扎带和杉树形固定头装配件,可预先安装
捆绑后扎带头部能够移动
易于安装,无需使用工具
圆盘调节扎带不同方向的压力,极大地减少灰尘、污垢和水分的进入
杉树形固定头可适用于多种板厚
适用于螺纹孔
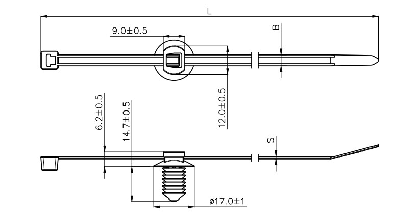
基础数据
| 产品分类 | 杉树头 FT9 |
| 产品名称 | 带圆盘和杉树头的分体式固定扎带 适用于圆孔 |
| 产品名称 | T30RFT9LP-PA66HS/PA66HIRHS-BK |
| 包装数量 | 500个 |
| 固定方法 | 杉树 |
| 底部零件 | 聚酰胺 6.6,高抗冲击性,耐热性(PA66HIRHS) |
| 扎带 | 聚酰胺 6.6,耐热性(PA66HS) |
| 扎带锁舌 | 塑料爪 |
| 推荐工具 | MK3PNSP2, EVOcut, MK7P, MK10-SB, MK20, EVO7SP, EVO7i |
| 最小包装单位 | 袋 |
| 材料 | 聚酰胺 6.6,耐热性(PA66HS), 聚酰胺 6.6,高抗冲击性,耐热性(PA66HIRHS) |
| 材料 | PA66HS, PA66HIRHS |
| 颜色 | 黑色 |
产品尺寸
| 圆盘 ∅ | 20,0mm |
| 孔径 ∅ | 8.8 - 9.2 mm |
| 宽度 W | 3.5mm |
| 最大捆绑直径 | 35.0mm |
| 最小拉伸强度 | 135N |
| 适用板厚 | 0.8 - 9 mm |
| 长度 L | 150.0mm |
材料和规格书
| Specifications | ![]() |
物流和包装
| EAN / GTIN | 4031026477725 |
扫一扫
扫一扫