可以搜到:产品、技术、资料、新闻、检测、企业、视频

产品分类
当前位置: 首页>产品>85901115230

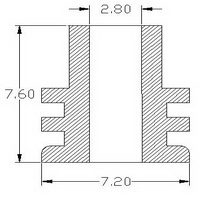
85901115230

0
立即获取技术支持
提供全天候客户服务支持
需要更多技术支持?
致电:17135242547